ВЕНТИЛЯТОРЫ EC.
ЭНЕРГОСБЕРЕГАЮЩИЕ ВЕНТИЛЯТОРЫ
Общее описание
Вентиляторы EC (с электронно-коммутируемыми двигателями) производства Systemair предназначены для монтажа в системах приточной и вытяжной вентиляции и обладают пониженным уровнем
потребления электроэнергии. Все вентиляторы оснащены эффективными электродвигателями последних моделей.
Вентиляторы EC Systemair, в стандартном исполнении оснащаются большим количеством стандартных компонентов и устройств управления.
Модельный ряд
Вентиляторы Systemair оснащены самоочищающимися рабочими колесами с загнутыми назад лопатками. Питание осуществляется от сети с частотой тока 50/60 Гц. Благодаря широкому диапазону
входного напряжения питание может осуществляться как от однофазной сети 200-270 В, так и от трехфазной 380-480 В. Все
электродвигатели регулируются, поэтому могут использоваться совместно с системами управления напором, температурой и скоростью вращения вентилятора.
Энергосбережение
После ознакомления с новейшей системой управления становится ясно, что традиционные системы импульсно-фазового управления и преобразователи частоты обладают некоторыми недостатками. При
повышенных требованиях к уровню шума регулировать электродвигатель на низких скоростях вращения с помощью импульсно-фазовой системы управления почти невозможно, а преобразователи частоты не обладают достаточной чувствитель-
ностью для управления электродвигателями с внешним ротором. Для обеспечения безаварийной и безопасной эксплуатации следует уже на ранней стадии проектирования системы предусмотреть
использование частотного фильтра и экранированных проводников.
Низкий уровень помех положительно сказывается на энергосбережении, что хорошо видно из графика.
Расчет годовой экономии электроэнергии
Ke = Ee x Ek x Lz x n
Ke = 0,5 кВт x 0,1? /кВтч x 7000 ч x 8 =2.800,-
Ke = годовая экономия (?)
Ee = снижение потребляемой мощности(кВт)
Ek = стоимость электроэнергии (?/кВт/ч)
Lz = время работы (ч/год)
n = количество вентиляторов
Высокая экономичность
Электродвигатели ЕС обладают высоким КПД при работе на всех скоростях. При номинальной частоте вращения экономия
электроэнергии достигает 10 %. При правильном управлении вентилятором относительная и абсолютная экономия электроэнергии может превышать это значение.
Электродвигатели
Вентиляторы ЕС серии DVC оснащены электронной системой управления. Силовые электронные устройства встроены в корпус электродвигателя. Электродвигатели оснащены электронной системой защиты, поэтому в дополнительных устройствах защиты нет необходимости. Управление электродвигателем может
осуществляться внешним сигналом 0-10 В. Кроме того, все компоненты, регулируемые сигналом 0-10 В, могут подключаться непосредственно к устройству управления. Питание электродвигателей вентиляторов типоразмеров выше 355 оснащается через внешний потенциометр (0-10 кОм), который подключается непосредственно к электродвигателю.
Применение регулируемых электродвигателей
Как и в случае с крышными вентиляторами, обеспечивается великолепная точность регулирования электродвигателей ЕС. Приборы надежно функционируют даже без устройств управления. Мы рекомендуем использовать электродвигатели ЕС, во всех областях, где требуется управление электродвигателем. Данные
приборы хорошо зарекомендовали себя в таких областях, как очистка воздуха, вентиляция бассейнов и жилых помещений,
вытяжная вентиляция и т.д.
Компания Systemair производит крышные вентиляторы серий DVC и Multibox различной мощности. Данные вентиляторы используются в установках VR, Topvex и Rotovex, предназначенных для вентиляции жилых помещений и административно-общественных зданий.
Преимущества ЕС - технологии
СЕРИЯ DVC
Конструкция
Корпус DVC выполнен из алюминия. Рама изготовлена из
оцинкованной стали с защитным порошковым покрытием. Рабочее колесо вентиляторов типоразмеров 225-400 изготовлено из полиамида РА6. Вентиляторы серии DVС имеют вертикальный выброс воздуха.
Двигатель
Вентиляторы DVC оборудованы электродвигателями постоянного тока с внешним ротором и встроенным устройством управления
производительностью. Электродвигатели с рабочим колесом с загнутыми назад лопатками смонтированы на высокоэффективных виброизоляторах. Двигатели оснащены электронной системой защиты от перегрева электродвигателя.
Варианты исполнения
Для поддержания постоянного давления в системе воздуховодов вентиляторы оснащаются встроенным регулятором давления – серия DVC..-P, для поддержания постоянного расхода воздуха – потенциометром (например, типа MTP-10 – электрическая принадлежность) - серия DVC..-S.
Регулирование скорости
Управляющий сигнал подаётся непосредственно на вентилятор, что позволяет с помощью переключающего контакта и таймера задавать ночной/дневной режим работы системы. Напряжение питания однофазных вентиляторов может изменяться от 200В до 277В, трехфазных – от 380В до 480В.
Монтаж
Вентиляторы устанавливаются на крышный короб типа FDS или на крышный шумоглушитель типа SSD.
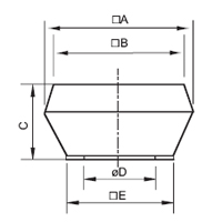
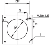
Технические характеристики
Размеры, мм
А=1150
B=955
C=560
D=605
E=939
F=750
G=293
H=8xM8
d=14(4x)
| Воздухообмен | 12920.00 м<sup>3</sup>/час |
| Воздуховод | Круглый |
| Минимальный уровень шума | 56.00 дБ |
| Максимальный уровень шума | 64.00 дБ |
| Питание | 400/50/3 в/Гц/Ф |
| Сила тока | 3.72 А |
| Частота вращения | 1210 об/мин |
| Масса | 2.40 кг |
| Класс защиты | IP 54 |