Предназначены для удаления воздуха с повышенным содержанием влаги и жира, например, из кухонь.
Преимущества:
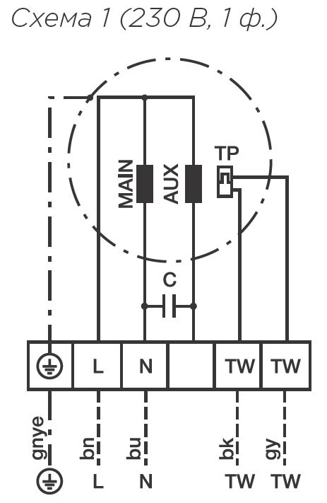
Регулирование скорости вентиляторов EF осуществляется путем изменения напряжения за счет использования пятиступенчатых трансформаторов TRT или однофазных плавных регуляторов скорости SRE. К одному регулятору можно подключить несколько вентиляторов при условии, что общий ток вентиляторов не превышает номинальный ток регулятора. В двигатели вентиляторов встроены защитные термоконтакты, требующие подключения внешнего защитного термореле.
В случае применения пятиступенчатых регуляторов скорости TRT дополнительное защитное термореле не нужно.
Возможны 2 положения выхода. Изменение конструкции можно выполнить прямо на месте установки, переместив боковые панели.
| Масса | 59.5 кг |
| Габариты | 500х500х500 мм |
| Частота вращения | 2840.00 об/мин |
| Питание | 230/50/1 в/Гц/Ф |
| Сила тока | 7.50 А |
| Потребляемая мощность | 1.17 кВт |
| Размер канала | 315 мм |
| Уровень шума | 84/87/78 дБ |
| Воздухообмен | 3810.00 м<sup>3</sup>/час |