Радиальные вентиляторы для круглых каналов предназначены для перемещения воздуха и других невзрывоопасных газовых смесей в системах вентиляции и кондиционирования воздуха.
Вентиляторы KVR представлены шестью типоразмерами.
Корпус вентилятора изготовлен из прочного легкого высококачественного пластика, не подверженного коррозии и имеющего эстетичный внешний вид. Рабочие колеса с назад загнутыми лопатками выполнены из оцинкованного стального листа. В качестве привода вентилятора используются компактные асинхронные однофазные электродвигатели с внешним ротором, не требующие дополнительного обслуживания. Статически и динамически сбалансированные рабочие колёса и применяемые электродвигатели позволяют достичь более 40 000 часов рабочего ресурса. Класс изоляции корпуса IP 44. Конструктивно двигатель расположен в потоке перемещаемого воздуха, что способствует эффективному отводу тепла.
Использование рабочего мотор-колеса производства Ziehl-Abegg AG Germany обеспечивает высокое качество и надёжность работы вентиляторов KVR.
Рабочий диапазон температур перемещаемого воздуха от -40°C до +50°C (для вентилятора KVR 315/1 до +40°C).
Электродвигатели стандартно оснащены термоконтактами с автоматическим перезапуском, расположенными внутри обмотки, что позволяет обеспечить наиболее надёжную и точную защиту при перегреве, в случае перегрузки, высокой температуры воздуха и т. п. Не требуется подключение внешнего устройства защиты.
Производительность вентиляторов KVR регулируется изменением числа оборотов электродвигателя.
Для плавного изменения производительности вентиляторов KVR рекомендуется применять электронные регуляторы оборотов RTY. Также возможно использование трансформаторных пятиступенчатых регуляторов оборотов.
| Воздухообмен | 1140.00 м<sup>3</sup>/час |
| Воздуховод | Круглый |
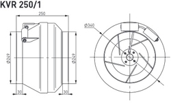
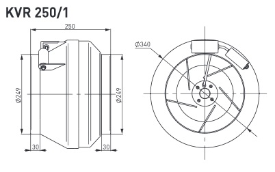
| Диаметр канала | 250 мм |
| Питание | 220/50/1 в/Гц/Ф |
| Сила тока | 1.05 А |
| Частота вращения | 2500 об/мин |
| Давление | 595 Па |
| Потребляемая мощность | 0.230 кВт |
| Масса | 5.3 кг |
| Габариты | 250x340x340 мм |
| Напряжение | 220 |