ФУНКЦИОНАЛЬНЫЕ ОСОБЕННОСТИ
Описание
Круглый канальные вентилятор TUBE изготовлен из оцинкованной стали. Одинаковые сечения входного и выходного каналов, расположенных на одной оси, и непосредственное присоединение вентилятора к воздуховодам дают возможность экономии расходов по монтажу вентиляционной системы. Благодаря специальной конструкции корпуса и крыльчатки достигается максимальное снижение шума и вибрации и оптимальные аэродинамические характеристики.
Круглый канальный вентилятор TUBE является оптимальным решением при проектировании систем вентиляции в гостиницах, торговых предприятиях, спортивных сооружениях, складских помещениях, а также в большинстве общественных учреждений.
Компактные габариты и небольшой вес вентиляторов позволяют одному человеку самостоятельно перемещать и устанавливать их.
Конструкция
Отличительные особенности
Монтаж
Вентилятор поставляется готовый к подключению. Вентилятор может устанавливаться на стену (окно) в любом положении, в соответствии с направлением потока воздуха (в соответствии со стрелкой на корпусе вентилятора).
Необходимо предусматривать доступ для обслуживания вентилятора.
! Не допускается:
Уход
Вентилятор TUBE не требует специального технического ухода. Единственное требование — чистка крыльчатки. Перед очисткой необходимо выполнить следующие действия:
1. убедиться в том, что:
2. Снять крыльчатку вместе с электродвигателем. Чистить необходимо осторожно, чтобы не нарушить балансировку крыльчатки.
Крыльчатку рекомендуется чистить через каждые шесть месяцев.
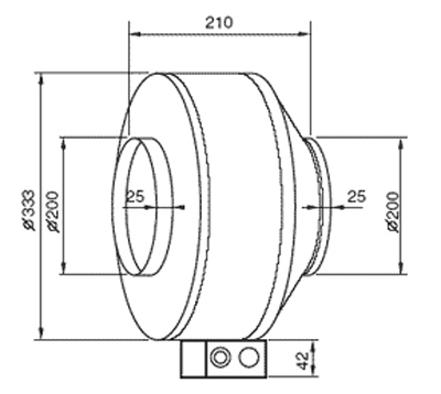
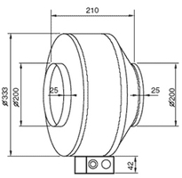
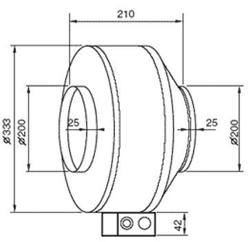
Габаритные размеры

| Воздухообмен | 960.00 м<sup>3</sup>/час |
| Воздуховод | Круглый |
| Минимальный уровень шума | 46.00 дБ |
| Максимальный уровень шума | 71.00 дБ |
| Способ установки | В любом положении |
| Питание | 230/50/1 в/Гц/Ф |
| Сила тока | 0.65 А |
| Частота вращения | 2500 об/мин |
| Давление | 560.00 Па |
| Потребляемая мощность | 0.15 кВт |
| Масса | 4.80 кг |
| Класс защиты | IP 44 |
| Напряжение | 230.00 |