ВЗРЫВОЗАЩИЩЕННЫЕ ВЕНТИЛЯТОРЫ
Общее описание
Взрывозащищенные вентиляторы Systemair предназначены для монтажа в системах приточной и вытяжной вентиляции, установленных в помещениях 1 и 2 класса пожароопасности.
Все вентиляторы изготовлены и сертифицированы в соответствии
с требованиями ATEX 94/9/EG, ГОСТ № РОСС.SE.МЛ14.В00090.
Вентиляторы предназначены для монтажа в помещениях, указанных выше типов. Вентиляторы сертифицированы Ростехнадзором, а также известными немецкими институтами и государствами, входящими в состав Евросоюза.
Модельный ряд
Взрывозащищенные вентиляторы состоят из вращающихся и неподвижных частей, согласно DIN 50014.
Самоочищающееся рабочее колесо вентиляторов серий DVEX, DVV-Ex и RVK-Ex оснащено загнутыми назад лопатками. Лопатки рабочего колеса вентиляторов серий EX, KTEX и DKEX загнуты вперед. Лопатки рабочего колеса вентиляторов серии AW-EX имеют аэродинамически оптимальную форму, на лопатки нанесено защитное покрытие.
Рекомендации по применению
Вентиляторы DVV-EX соответствуют требованиям ATEX и предназначены для использования во взрывоопасных зонах 1 (категория смеси 2G) и 2 (категория смеси 3G), для удаления горючих и негорючих сред из этих зон, классы температур Т1, Т2, Т3.
Конструкция
Корпус изготовлен из алюминия, стойкого к парам морской воды, каркас - из оцинкованной стали, входной конус – из меди. Конструкция вентилятора обеспечивает уровень безопасности в соответствиями с требованиями EEX (d).
Двигатель
Вентиляторы данной серии оборудованы стандартными электродвигателями с внутренним ротором и рабочим колесом с назад загнутыми лопатками. Для защиты от перегрева вентиляторы оснащены встроенными термисторами с выводами для подключения к внешнему устройству защиты U-EK230E.
Регулирование скорости
Скорость вентиляторов регулируется с помощью преобразователей частоты.
Монтаж
Вентиляторы предназначены для крышного монтажа. Оснащены
клеммной коробкой, установленной на корпусе.
Сертификаты
Сертификат соответствия РФ, сертификат на взрывозащищенное оборудование и разрешение Ростехнадзора. Сертификат соответствия ГОСТ № РОСС.SE.МЛ14.В00090
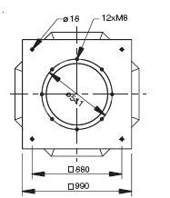
Технические характеристики
| Воздухообмен | 12300.00 м<sup>3</sup>/час |
| Воздуховод | Круглый |
| Минимальный уровень шума | 63.00 дБ |
| Максимальный уровень шума | 71.00 дБ |
| Питание | 400/50/3 в/Гц/Ф |
| Сила тока | 6.40 А |
| Частота вращения | 1400 об/мин |
| Масса | 110.00 кг |
| Габариты | 1100х1100х958 мм |
| Класс защиты | IP 54 |